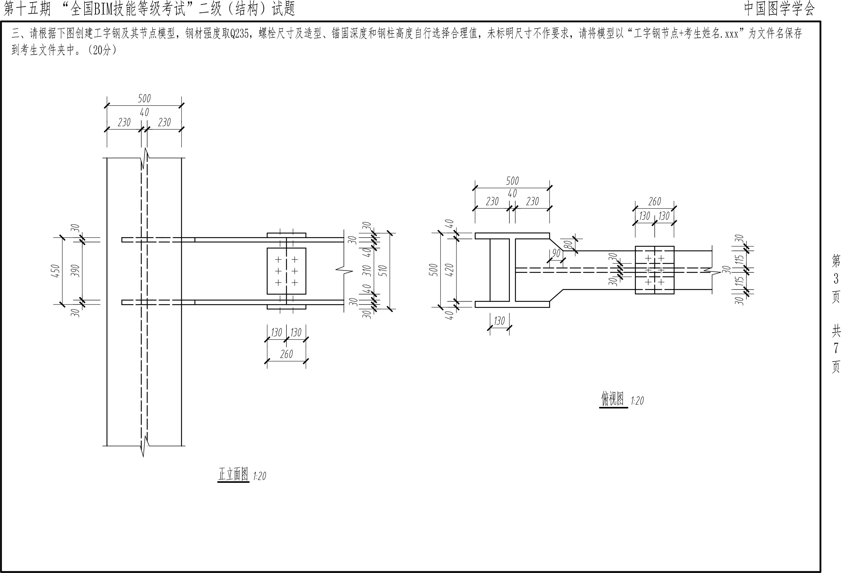
第十五期全國BIM技能等級考試二級結(jié)構(gòu)試題第三題
第十五期全國BIM技能等級二級考試已經(jīng)結(jié)束,不知道考生考的怎么樣呢?第十五期全國BIM技能等級二級結(jié)構(gòu)考試試卷如下,供廣大考生參考學(xué)習(xí)。
立即購課>> 課程咨詢>> QQ群交流學(xué)習(xí)>>

報考指南
閱讀排行
關(guān)注更多
立即掃碼添加學(xué)習(xí)顧問
報考指導(dǎo)
考情速遞
備考計劃
幫你選課


010-82333888






掃碼添加顧問老師
掃一掃下載正保