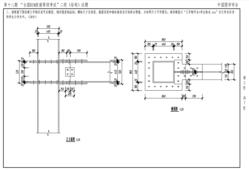
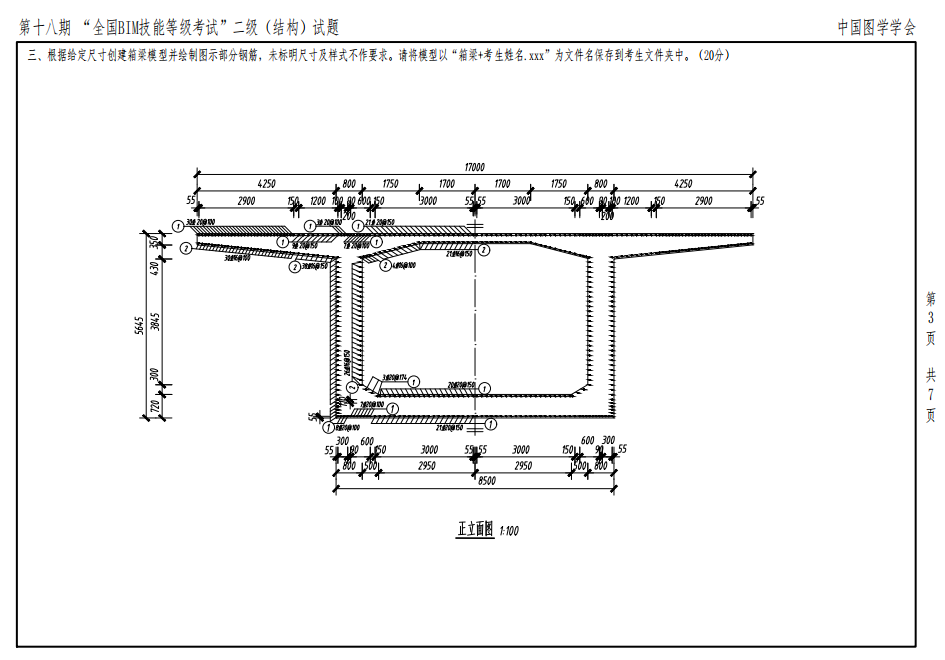
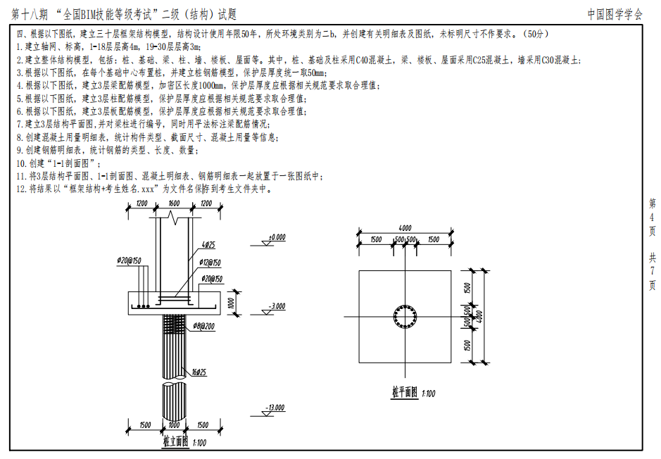
第十八期全國BIM技能等級考試二級(結(jié)構(gòu))試題
BIM第十八期考試已經(jīng)圓滿結(jié)束,小編為大家整理了第十八期BIM技能等級考試二級(結(jié)構(gòu))試題,希望對考生有幫助~
報考指南
閱讀排行
關(guān)注更多
立即掃碼添加學(xué)習(xí)顧問
報考指導(dǎo)
考情速遞
備考計劃
幫你選課


010-82333888













掃碼添加顧問老師
掃一掃下載正保